Робот для точечной сварки Kawasaki ZX200S
Характеристики
- Тип
- Промышленный робот
- Бренд
- Kawasaki
- Частота тока, Гц
- 50/60 Гц
- Грузоподъёмность, кг
- 200 кг
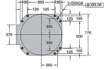
- Рабочая зона (радиус действия робота)
- 2651 мм
- Тип привода
- Электрический
- Точность позиционирования, мм
- ±0.3 мм
- Поддержка ПО
- Проприетарное ПО
- Области применения
- Перемещение, Контактная сварка, Универсальное назначение
Промышленный шестикоординатный робот Kawasaki ZX200S — это высокопроизводительное решение для выполнения широкого спектра задач в условиях тяжёлой промышленности. Обладая грузоподъёмностью 200 кг и радиусом действия 2 651 мм, он обеспечивает точное и надёжное управление даже при выполнении сложных операций, включая точечную сварку, перемещение материалов и обслуживание оборудования. Благодаря высокой жёсткости конструкции и интеграции с современным контроллером E02, робот адаптируется к требованиям будущей автоматизации и промышленных стандартов. Оптимальное сочетание мощности, точности и гибкости делает его ключевым элементом для предприятий, стремящихся к устойчивому росту и технологическому лидерству.
Цена по запросу
- Торгова марка - Kawasaki
- Назначение - Автоматизация процессов производства
- Страна изготовления - Япония
- Импортер/Продавец - ЧТУП "Белвнешимпорт", г. Гомель, пр-т. Речицкий, 135
- Сертификация - Соответствует международным стандартам безопасности и качества
- Срок годности - Не ограничен при соблюдении условий эксплуатации
Часто задаваемые вопросы
Внимание! Информация о технических характеристиках, комплекте поставки, стране изготовления, внешнем виде и цвете товара носит справочный характер и основывается на последних доступных сведениях от производителя. Производитель может изменять дизайн, технические характеристики и комплектацию изделия без уведомления об этом продавца. Всю интересующую Вас информацию о товаре уточняйте, пожалуйста, у наших менеджеров.
Отзывы (0)