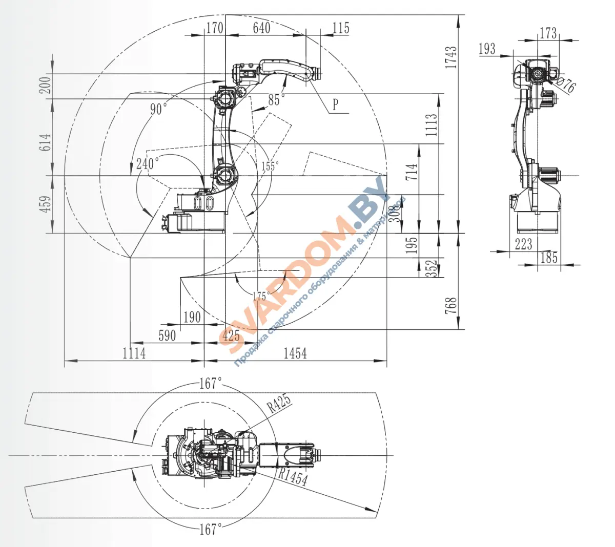
CRP RH14-10-W — это роботизированная система, оптимизированная для выполнения сварочных операций с максимальной точностью и надёжностью. Его технические параметры и конструктивные особенности позволяют эффективно справляться с задачами разной сложности, начиная от типовой сварки до специализированных операций, требующих высокой повторяемости. Шарнирная конструкция робота обеспечивает плавность движения по шести осям, а диапазоны вращения и скорости делают его незаменимым в условиях, где важна каждая секунда производственного цикла. Максимальный рабочий охват в 1454 мм при грузоподъёмности 10 кг позволяет использовать его как для точечной, так и линейной сварки. Компактные габариты сочетаются с возможностью интеграции в ограниченные пространства производственной линии, при этом не снижая эффективности работы.
Высокая степень защиты, соответствующая уровням IP54 и IP67, гарантирует стабильную работу в среде с пылевыми и влаговыми загрязнениями, а также исключает возможность отказов при кратковременных воздействиях влаги на подвижные соединения. Точность позиционирования ±0,08 мм позволяет CRP RH14-10-W использовать в операциях, где критически важна стабильность геометрии сварного шва. Электропривод обеспечивает динамичное и точное управление всеми осями, а интеллектуальные ограничители и датчики исключают выход из допустимого диапазона, предотвращая столкновения и перегрузки узлов.
Совместимость с внешними системами управления и поддержка современных протоколов связи позволяют интегрировать робот в существующие производственные линии. Он может быть легко сопряжён с конвейерными системами, устройствами подачи деталей и позиционирования, обеспечивая бесшовную передачу данных и синхронизацию операций. Интуитивно понятное программирование через обучающий пульт делает его эксплуатацию доступной как для квалифицированных операторов, так и для персонала среднего уровня подготовки. При этом система самодиагностики контролирует состояние узлов и информирует о необходимости обслуживания, минимизируя риск незапланированных простоев.
Скорость движения по осям достигает 743°/сек на шестой оси, что обеспечивает невероятную маневренность, необходимую для сложных траекторий. Он способен удерживать сварочную горелку в идеальном положении даже при высокой скорости перемещений, что критично при сварке тонкостенных конструкций. В комплект входит горелка с воздушным или водяным охлаждением, что расширяет диапазон возможных применений: от MIG/MAG сварки до TIG. Интегрированная система подачи проволоки и защита от столкновений обеспечивают стабильное качество сварного шва и безопасность окружающего оборудования.
CRP RH14-10-W подходит для выполнения не только сварочных, но и смежных задач: резка, окраска, перемещение мелких деталей. Он легко адаптируется под конкретные производственные задачи, что делает его универсальным решением для предприятий с широкой номенклатурой изделий. Промышленная надежность и модульность конструкции гарантируют длительный срок службы и минимальные затраты на техническое обслуживание. Электроавтоматический шкаф с ПЛК управления позволяет оператору осуществлять быстрый запуск и изменение параметров без вмешательства в программный код. Возможность расширения функционала за счёт подключения дополнительных осей, сенсоров и адаптеров делает модель масштабируемой и готовой к требованиям будущего производства.
Таким образом, CRP RH14-10-W — это не просто сварочный робот, а стратегический инструмент модернизации сварочного производства. Он позволяет снизить затраты на персонал, сократить время на выполнение повторяющихся операций, повысить качество готовой продукции и добиться высокого уровня производственной дисциплины. Благодаря инновационному подходу к проектированию и широким возможностям интеграции, данное оборудование становится основой для построения интеллектуальных производственных линий с ориентацией на стандарты Индустрии 4.0.
| Параметры |
Ось 1 |
Ось 2 |
Ось 3 |
Ось 4 |
Ось 5 |
Ось 6 |
| Диапазон движения по осям |
Крепление к полу или потолку: -167°167°Настенное крепление: -30°30° |
-155°~90° |
-175°~240° |
-190°~190° |
-105°~130° |
-210°~210° |
| Максимальная скорость |
169°/секунду |
169°/секунду |
169°/секунду |
301°/секунду |
220°/секунду |
743°/секунду |
| Допустимый крутящий момент |
- |
- |
- |
20 Н·м |
20 Н·м |
11 Н·м |
| Допустимый момент инерции |
- |
- |
- |
0.5 кг·м |
0.5 кг·м |
0.16 кг·м |
| Требования к условиям |
|
|
|
|
|
|
| Средняя температура |
0-45°C |
0-45°C |
0-45°C |
0-45°C |
0-45°C |
0-45°C |
| Относительная влажность |
20-80% (без конденсата) |
20-80% (без конденсата) |
20-80% (без конденсата) |
20-80% (без конденсата) |
20-80% (без конденсата) |
20-80% (без конденсата) |
| Вибрации |
< 0.5 G |
< 0.5 G |
< 0.5 G |
< 0.5 G |
< 0.5 G |
< 0.5 G |
| Другие |
Робот должен быть установлен вдалеке от горючих или коррозионных жидкостей и газов, источников электрических помех |
- |
- |
- |
- |
- |
| Уровень IP |
J1-J4: IP54 |
J1-J4: IP54 |
J1-J4: IP54 |
J5-J6: IP67 |
J5-J6: IP67 |
J5-J6: IP67 |
Отзывы (0)